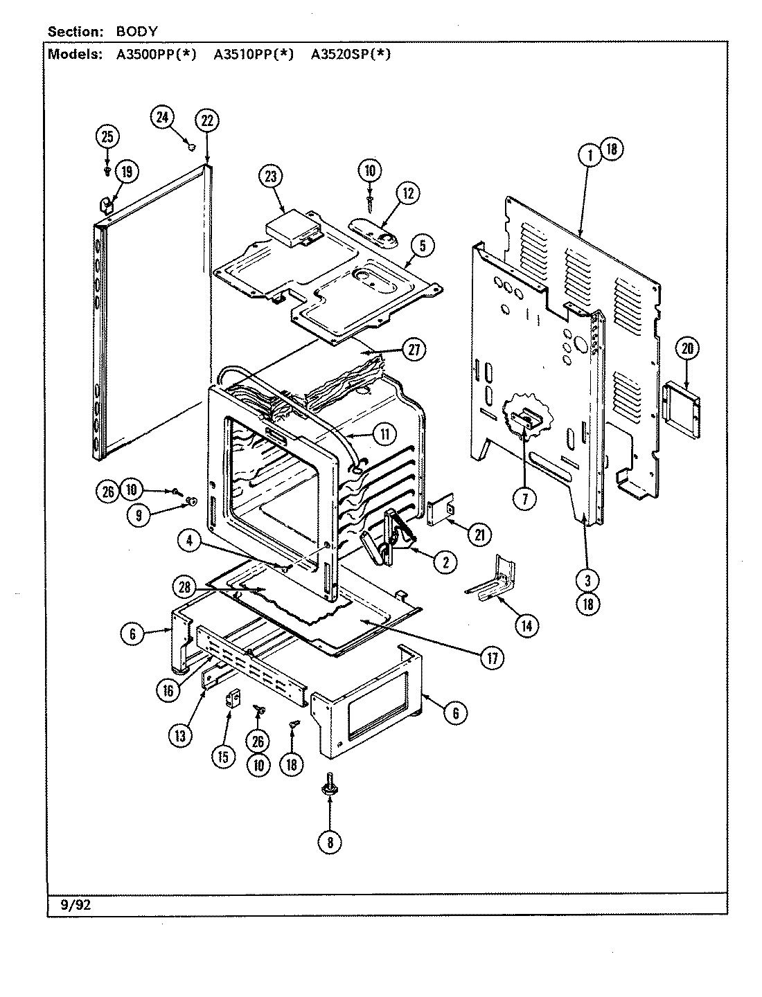
A3520SPW 01 – BODY