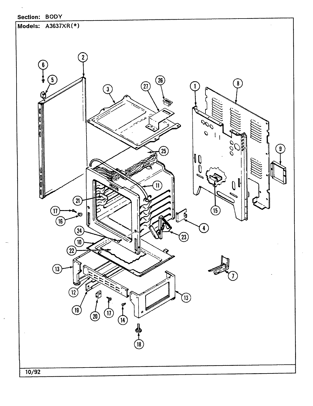
A3637XRA 01 – BODYadmin2025-04-26T09:10:42+00:00A3637XRA 01 – BODY ProductsPositionProduct1MAY 4002F184-802MAY 2618F099-742MAY 2618F085-743MAY 4011F207-194SUPPORT,OVEN REAR5SPACER, MAIN TOP (LT)5SPACER, MAIN TOP (RT)6MAY 7118P013-607MAY 7101P289-607MAY 3801F218-518MAY 4005F348-519MAY 4005F427-5110MAY 3804F109-5111MAY 4820F001-5912MAY 4020F001-8013MAY 4020W007-8014MAY 7101P290-6015MAY 3605F174-5116MAY 8004P024-6017MAY 7101P300-6018MAY 7101P306-6019MAY 3406F028-5120MAY 8004P025-6021MAY 8114P336-6022MAY 8312P058-6023MAY 7106P032-6024SCREW, HINGE25MAY 4804F017-6025MAY 4804F018-6026MAY 7407P089-6026MAY 7407P097-6027MAY 3801F302-45