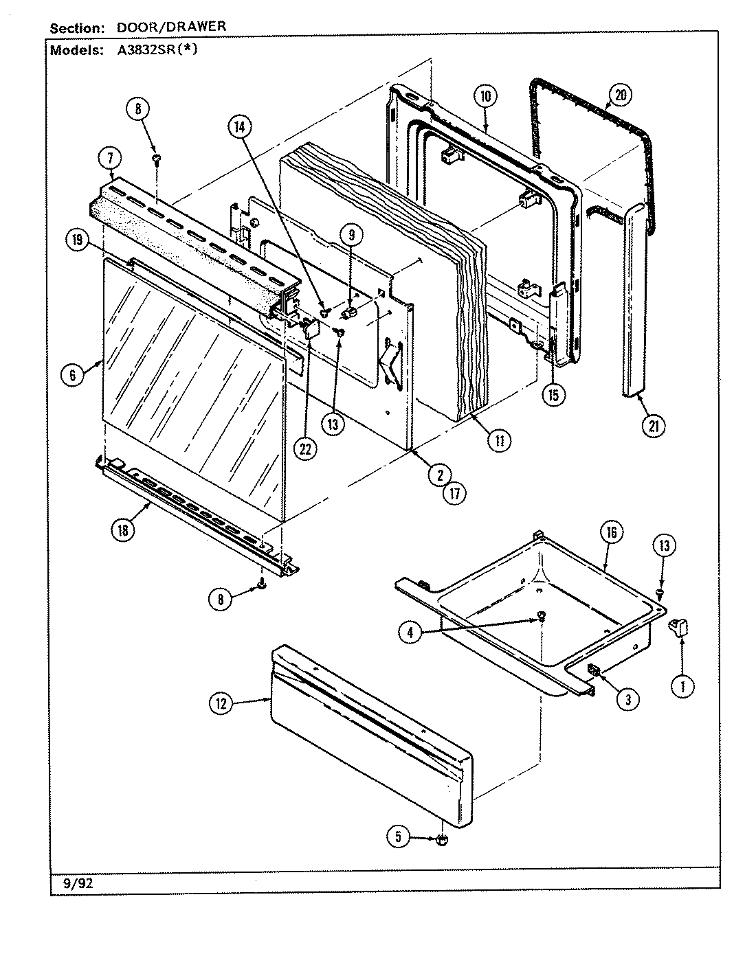
A3832SRA 03 – DOOR/DRAWER (A3832SR)admin2025-04-26T09:11:03+00:00A3832SRA 03 – DOOR/DRAWER (A3832SR) ProductsPositionProduct1WP8004P026-60 Whirlpool Support2MAY 3601F218-453MAY 8010P086-604WP4159193 Whirlpool Screw5WPW10131078 Whirlpool Nut Assembly6MAY 7902P325-607MAY 7701P103-608WP98008545 Whirlpool Screw9MAY 8010P075-6010MAY 2402W200-1911MAY 4804F012-6012MAY 2416F039-6413MAY 7101P291-6014MAY 7101P290-6015MAY 7208P011-6016MAY 3405F015-8017MAY 8010P085-6018MAY 7744P078-6019TAPE, FOIL (3`` WIDE)20GASKT-DOOR OVEN21MAY 7744P055-6022MAY 7744P075-6022MAY 7744P076-60