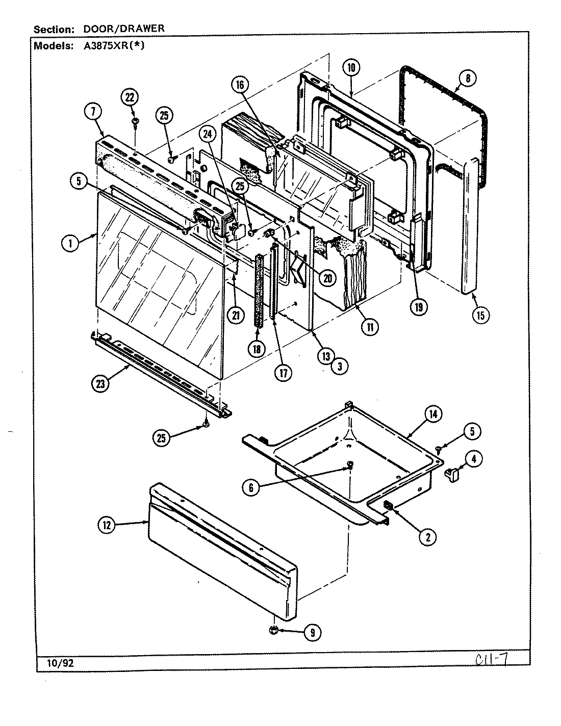
A3875XRW 03 – DOOR/DRAWERadmin2025-04-26T09:10:12+00:00A3875XRW 03 – DOOR/DRAWER ProductsPositionProduct1MAY 7902P321-602MAY 8010P086-603MAY 8010P085-604WP8004P026-60 Whirlpool Support5MAY 7101P291-606WP4159193 Whirlpool Screw7MAY 7701P103-608GASKT-DOOR OVEN9WPW10131078 Whirlpool Nut Assembly10MAY 2402W194-1911MAY 4804F012-6012MAY 2416F039-6213MAY 3601F219-4514MAY 3405F015-8015MAY 7744P055-6016MAY 7907P021-6017MAY 3818F052-5118MAY 7208P002-6019MAY 7208P011-6020MAY 8010P075-6021TAPE, FOIL (3`` WIDE)22WP98008545 Whirlpool Screw23MAY 7744P078-6024MAY 7744P076-6024MAY 7744P075-6025MAY 7101P290-60