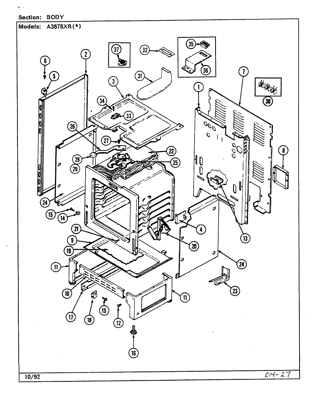
A3878XRA 01 – BODYadmin2025-04-26T09:11:31+00:00A3878XRA 01 – BODY ProductsPositionProduct1MAY 4002F184-802MAY 2618F085-742MAY 2618F099-743MAY 4011F207-194SUPPORT,OVEN REAR5SPACER, MAIN TOP (RT)5SPACER, MAIN TOP (LT)6MAY 7118P013-607MAY 4005F348-518MAY 4005F376-519MAY 3804F109-5110MAY 4020F001-8011MAY 4020W007-8012MAY 7101P290-6013MAY 3605F174-5114MAY 8004P024-6015MAY 7101P300-6016MAY 7101P306-6017MAY 3406F028-5118MAY 8004P025-6019MAY 8312P058-6020MAY 7106P033-6021SCREW, HINGE22MAY 4804F015-6022MAY 4804F016-6023MAY 3801F218-5123MAY 7101P289-6024MAY 3804F103-5125MAY 8002P025-6025MAY 7101P280-6026MAY 8009P016-6027SCREW, LEVER27MAY 7109P015-6028MAY 7112P003-6029MAY 7701P088-6030MAY 7401P041-6031MAY 4006W107-4532MAY 7201P054-6032MAY 3826W014-4533MAY 7403P228-6034SCREW35MAY 7407P089-6035MAY 7407P097-6036MAY 3801F302-4537MAY 7403P160-60