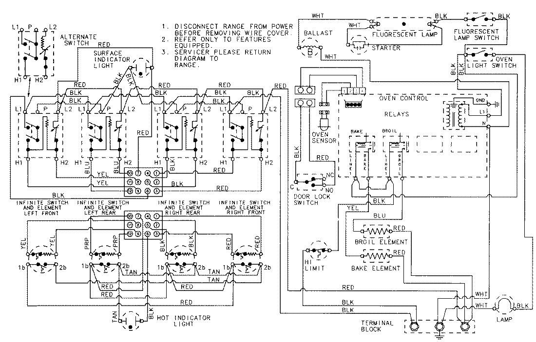
A3888VRV 05 – WIRING INFORMATIONadmin2025-04-26T09:13:35+00:00A3888VRV 05 – WIRING INFORMATION ProductsPositionProductNIMAY 15001706