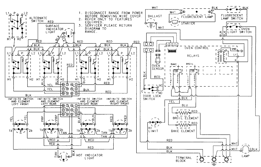
A3888XRA 06 – WIRING INFORMATIONadmin2025-04-26T09:11:46+00:00A3888XRA 06 – WIRING INFORMATION ProductsPositionProductNIMAY 15001706