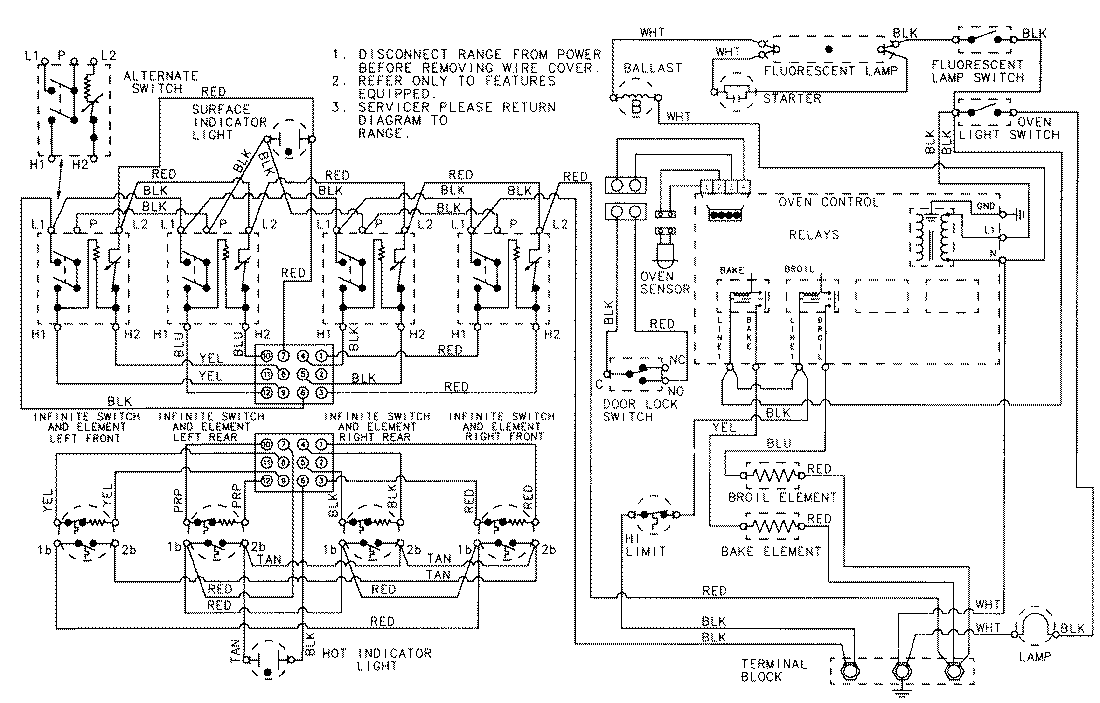
A3888XRW 06 – WIRING INFORMATIONadmin2025-04-26T09:11:54+00:00A3888XRW 06 – WIRING INFORMATION ProductsPositionProductNIMAY 15001706