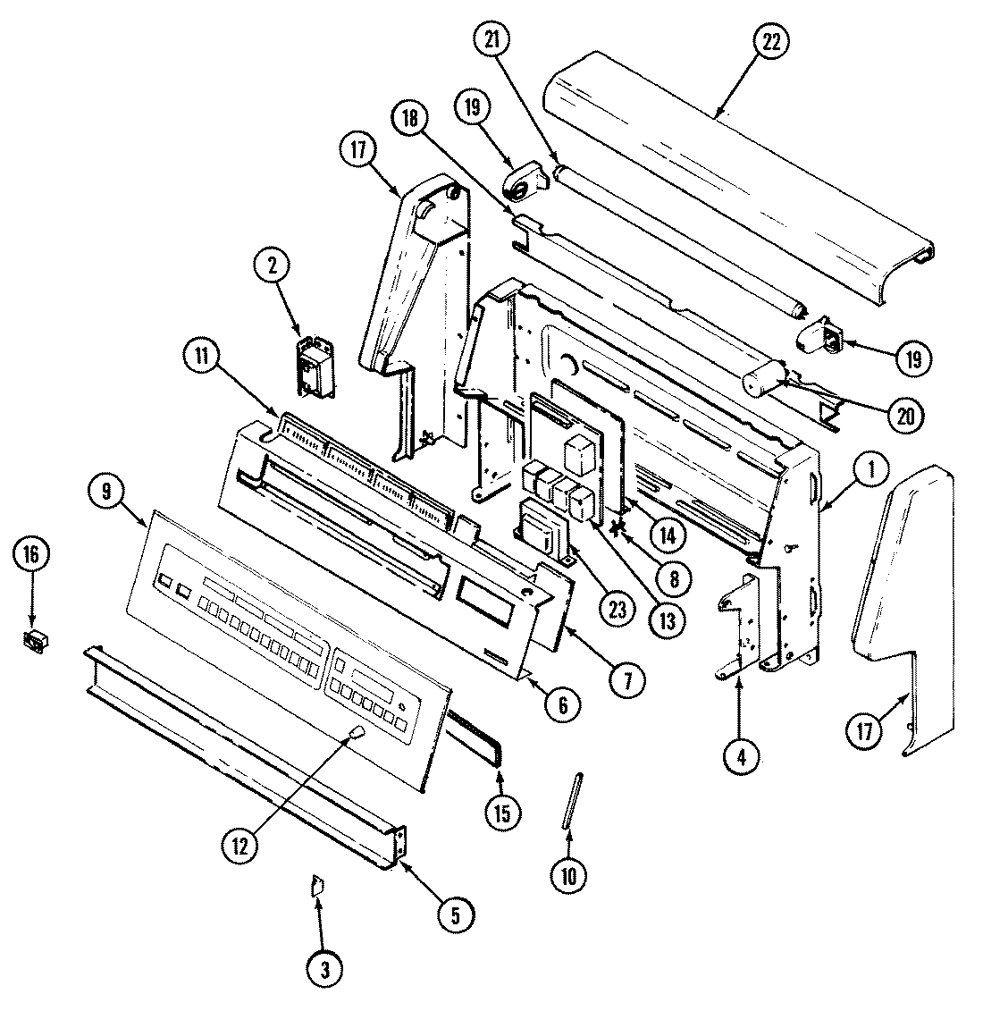
A3889VRV 02 – CONTROL PANELadmin2025-04-26T09:11:25+00:00A3889VRV 02 – CONTROL PANEL ProductsPositionProductNIMAY 5195D119-60NIMAY 8112P108-60NIMAY 16002079NIMAY 5125A365-60NIMAY 5140D040-60NIMAY 8113P009-601MAY 4001F091-512MAY 7412P007-603MAY 7101P148-603MAY 8010P083-604MAY 3807F454-514MAY 3807F453-515MAY 3802F088-516MAY 7703P396-606MAY 7101P331-607MAY 3807F437-457MAY 7601P174-608MAY 8004P035-608MAY 8004P032-609MAY 740010199MAY 4876S036-5910MAY 7720P160-6011MAY 7424P001-6012MAY 7711P432-6013MAY 7428P011-6013MAY 8004P020-6014MAY 3807F458-4515MAY 3604F201-801674008717 Whirlpool White Rocker Switch17MAY 7726P074-6017SCREW (8BX3/8-NI)17MAY 7103P129-6017MAY 7726P073-6018MAY 3807F406-7119MAY 7408P030-6019MAY 7408P029-6020MAY 7415P001-6021MAY 7407P004-6022MAY 7724P059-6023MAY 7408P007-60