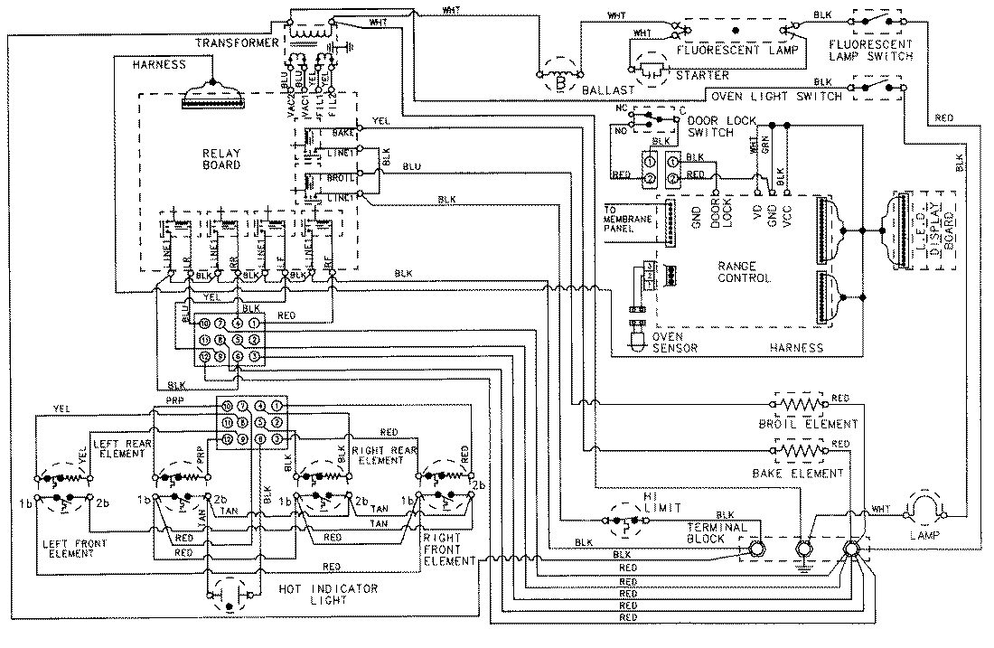
A3889VRV 06 – WIRING INFORMATION

A3889VRV 06 – WIRING INFORMATION

Products

PositionProduct
NIMAY 15001542