A3B688DGCS2Y 1

A3B688DGCS2Y 1

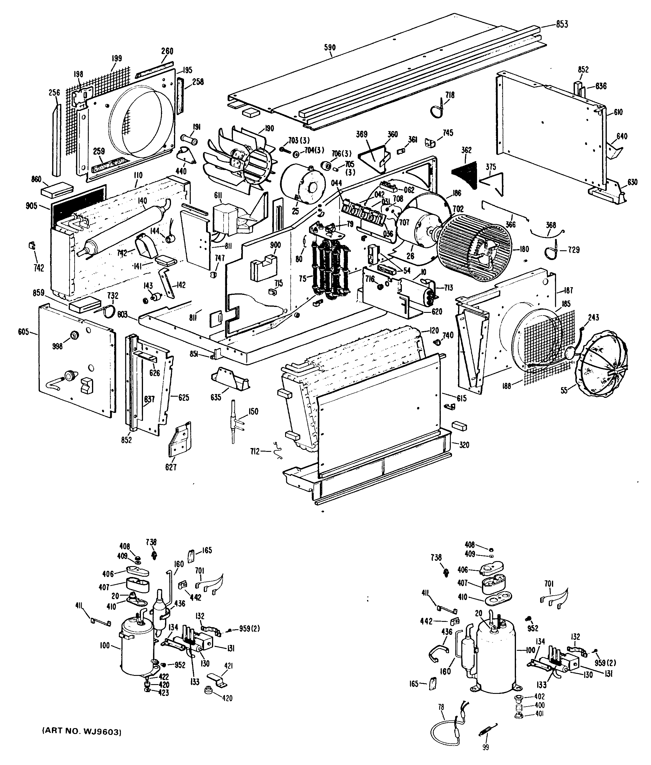
Products

PositionProduct
10GEN WJ20X0545
10GEN WJ20X0594
25GEN WP94X0013
26GEN WP94X0032
54GEN WJ03X0171
55GEN WP85X0002
75GEN WP70X0039
79GEN WP23X0007
80GEN WP23X0013
130VALVE BODY & TUBES
131GEN WP58X0008
132GEN WJ03X0172
133GEN WJ43X0232
140GEN WP62X0001
141GEN WP43X0015
142GEN WP66X0014
143GEN WP66X0015
150GEN WP56X0003
160GEN WJ53X0138
165GEN WJ56X0073
165GEN WJ56X0062
165GEN WJ56X0070
180GEN WJ74X0136
185GEN WP78X0002
186GEN WP76X0001
187GEN WP78X0003
190GEN WJ73X0047
191GEN WJ02X0153
195GEN WP78X0010
198SHIELD
199GEN WJ85X0109
243GEN WP71X0020
256GASKET SEPARATE AIR
258GEN WJ43X0408
259GEN WJ44X0105
260GEN WJ43X0409
320GEN WP70X0072
360GEN WJ70X0139
361GEN WJ02X0219
362GEN WP85X0001
366GEN WP14X0001
368GEN WJ02X0218
369GEN WJ43X0194
375GEN WJ66X0177
406TERMINAL CAP
407GEN WJ79X0409
408GEN WJ01X0292
409GEN WP01X0005
410GEN WJ43X0333
420GEN WJ01X0609
421GEN WP66X0001
422GEN WJ01X0608
423GEN WJ02X0360
436ACCUMULATOR CLAMP
440GEN WJ75X0010
590GEN WP79X0006
603GEN WP79X0027
605PANEL REAR
610GEN WP82X0007
615GEN WP81X0006
620GEN WP79X0007
625GEN WP82X0008
626GEN WP41X0012
627GEN WJ66X0429
630GEN WP66X0007
635GEN WP66X0008
636GEN WP82X0010
637GEN WP82X0009
640GEN WP66X0004
701GEN WJ36X0016
702NUT & LOCKWASHER 10-32
702SEAL DRIP TRAY - BARRIER
702GEN WJ43X0240
703SCREW 12-24 X 1-1/4" HEX
704GEN WZ10X0155
705GEN WJ01X0370
706GEN WJ01X0368
707GEN WZ10X0152
707WASHER
708GEN WJ01X0445
712GEN WP02X0010
713GEN WJ03X0279
715GEN WJ02X0392
715GEN WJ02X0411
715GEN WJ02X0410
716GEN WJ01X0651
729GEN WJ02X0416
738GEN WJ02X0420
740WIRE CLIP SNAP-IN
742GEN WJ02X0443
742GEN WP03X0010
745GEN WP02X0018
811GEN WP70X0073
851GEN WP43X0017
851SEAL BOTTOM D-F CASE
852GEN WP43X0019
852GEN WP43X0018
853GEN WP43X0016
859GEN WJ43