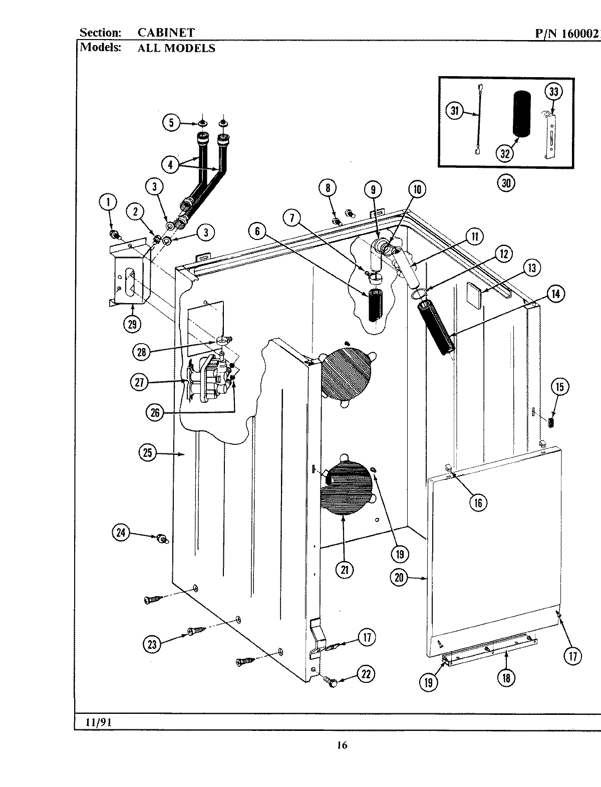
A490 02 – CABINET