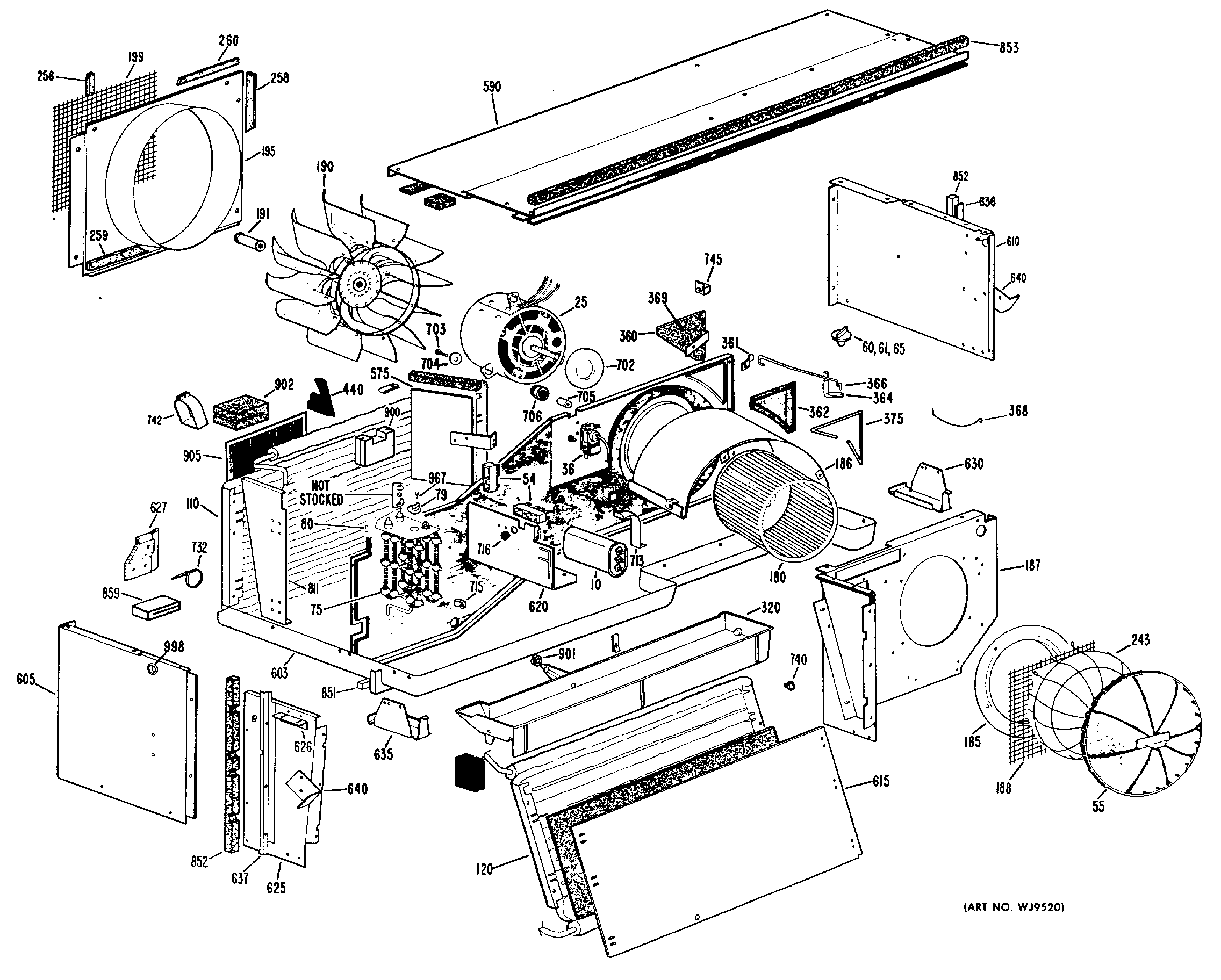
A4B568DGELQ1 2