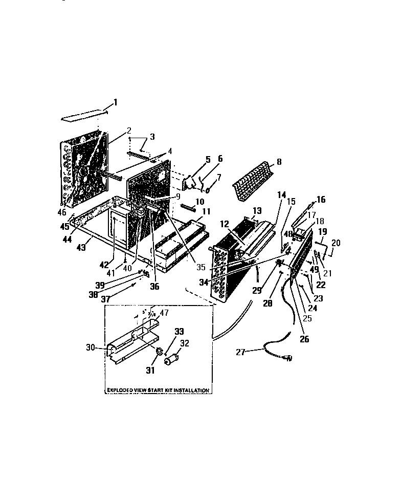
A4LCC2 05 – EVAPORATOR, CONDENSER, BASE PAN (`Sadmin2025-04-26T08:41:52+00:00A4LCC2 05 – EVAPORATOR, CONDENSER, BASE PAN (`S ProductsPositionProduct1WCI 80029222WCI 80030214WCI 80049375WCI 80030236WCI 80030498WCI 80030099WCI 800494310WCI 800294411WCI 800303012WCI 800493813WCI 801378414WCI 800493915WCI 800292316WCI 800300618WCI 800305319WCI 801314720WCI 801296521WCI 800294622WCI 801377423SCREW-CONTROL MTG24WCI 800295525WCI 800300126WCI 801379627WCI 801381828SCREW29WCI 801315030WCI 800305831CLAMP32RELAY, START KIT33WCI 800295434THERMOSTAT36WCI 800494237SCREW38WCI 800305139WCI 801363540WCI 800294741WCI 800296542SCREW (4)43BASE-ASSEMBLY (SPECIAL ORDER)44WCI 800292145CLIP-CONDENSER46DRIER48WCI 800301549WCI 8007194