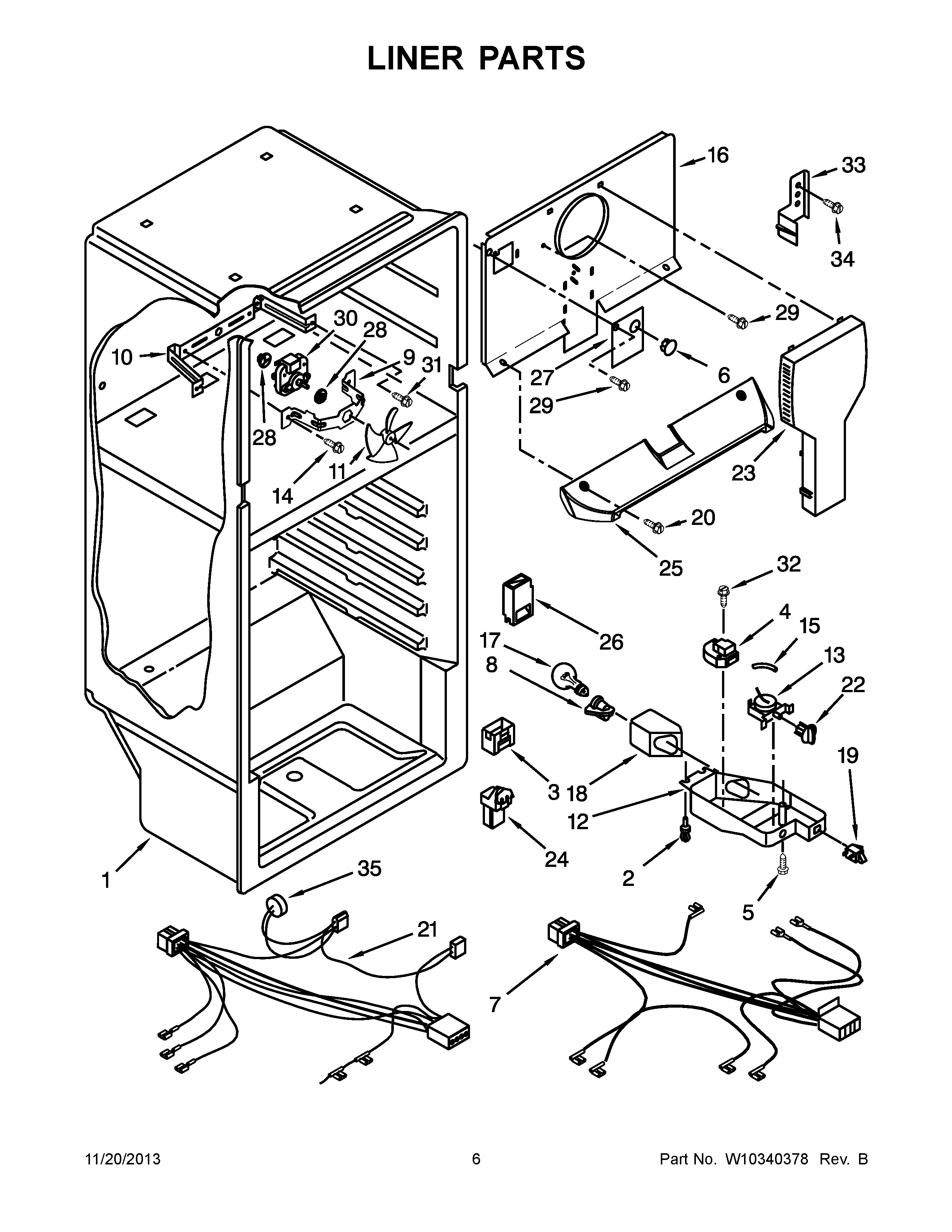
A4TXNWFWW02 04 – LINER PARTSadmin2025-04-26T09:12:34+00:00A4TXNWFWW02 04 – LINER PARTS ProductsPositionProduct1LINER (NOT A SERVICEABLE PART)2Rivet3MAY 21830614MAY 21883715MAY 4891746MAY 9418397WIRE ASSEMBLY, CONTROL BOX8Socket, Light9Fan Support Bracket10MAY 219740511Blade, Fan (Evaporator)12MAY 221521313MAY 232570014Screw 8-32 x 5/1615MAY 111868016MAY W1024401217MAY 52794918MAY 979170219MAY 111889420MAY 226217821WIRING-FREEZER22MAY 220288523MAY 979040824Hood And Foil Assembly25MAY 226197826MAY 222199227MAY 221778428MAY 226446229MAY 48947830MAY W1018838931MAY 48944232Screw33MAY 226219534Screw35MAY 2266067