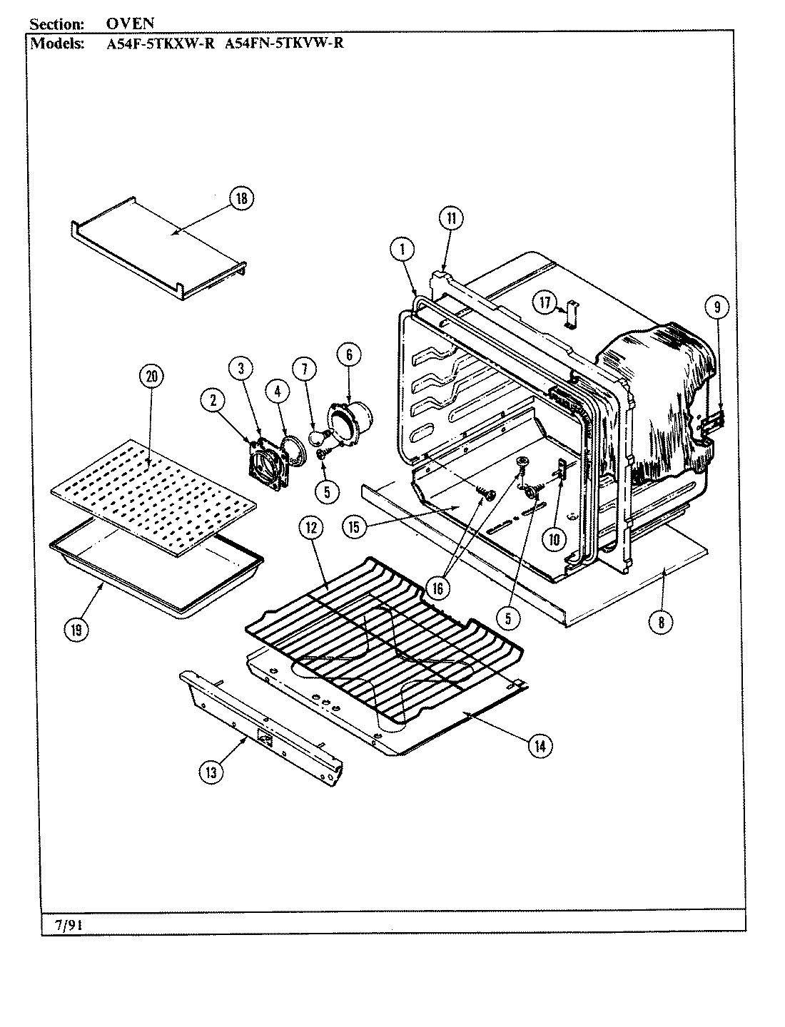
A54F-5TKXW-R 05 – INTERNAL CONTROLSadmin2025-04-26T09:13:34+00:00A54F-5TKXW-R 05 – INTERNAL CONTROLS ProductsPositionProduct1MAY 3807F408-452MAY 8002P021-603MAY 7101P061-604MAY 3818F027-455MAY 7003P019-605MAY 7003P039-605MAY 7403P077-606MAY 3807F193-457MAY 7101P031-608MAY 8009P009-609MAY 7101P018-6010MAY 7807P004-6011MAY 7116P003-6011MAY 3604F159-4512MAY 7701P089-6012MAY 7701P088-6013MAY 7112P003-6014MAY 4005F137-8015MAY 7403P227-6016WP59002061 Whirlpool Microwave Screw17MAY 7101P079-6017MAY 7401P015-6018MAY 7413A002-6019MAY 3807F407-4520MAY 4005F343-5120MAY 4005F344-5121MAY 4005F341-5122MAY 3604F167-4523MAY 4006D100-4523MAY 7201P049-6023MAY 4006D101-4524MAY 4011F188-8025MAY 4001F074-4526MAY 7427P010-6027BUSHING, SNAP27MAY 7402P042-60