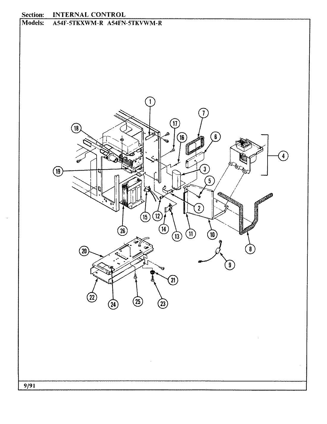
A54FN-5TKVWM-R 08 – INTERNAL CONTROLSadmin2025-04-26T09:12:17+00:00A54FN-5TKVWM-R 08 – INTERNAL CONTROLS ProductsPositionProduct1MAY Y020200282MAY 020301233MAY Y010200233MAY 010100084MAY 011100294MAY Y011100164MAY Y020301444MAY 040211914MAY Y021701195MAY 030101386MAY Y021701117MAY 023101098MAY 023100708MAY 011800109MAY Y0401020610MAY Y0402084211MAY 0231007112MAY Y0302007613MAY 0311006613MAY Y0110003614MAY Y0105000515MAY 0110004516MAY Y0306000216MAY 0204009417MAY Y0301014418MAY 010400041925T8DC Bulb20MAY Y0204010121MAY 0223001222MAY 0230003923MAY Y0302006824MAY 0311002225MAY 0301009426MAY 0113002826MAY Y0601031126MAY Y0224078226MAY Y0406053226MAY Y0406053526MAY 04010262