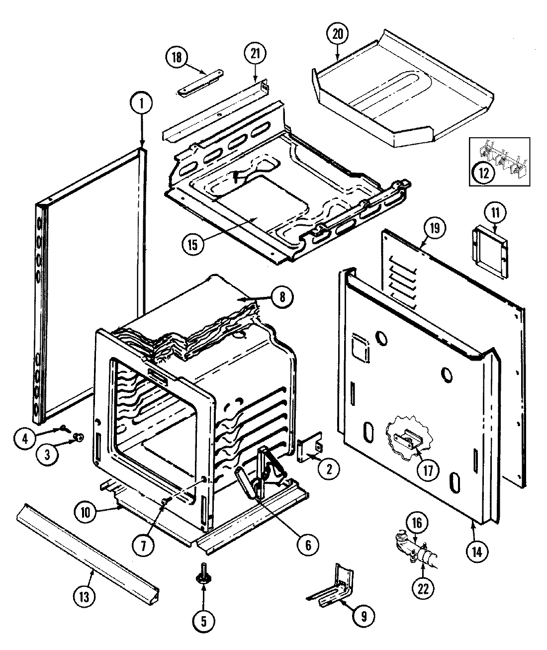
A5651XRS 01 – BODYadmin2025-04-26T09:13:51+00:00A5651XRS 01 – BODY ProductsPositionProduct1MAY 2618F098-701MAY 2618F080-701MAY 2618F081-701MAY 2618F097-702SUPPORT,OVEN REAR3MAY 8004P024-604MAY 7101P334-605MAY 7101P306-606MAY 7106P032-607SCREW, HINGE8MAY 4804F031-608MAY 4804F032-609MAY 3801F218-519MAY 7101P289-6010MAY 4011F176-5111MAY 4005F413-5112MAY 7401P038-6013WP98008545 Whirlpool Screw13MAY 3604W155-7014MAY 4002F192-8015MAY 7101P290-6015MAY 4011F224-8016MAY 8008P017-6016MAY 7417P005-6017MAY 3605F174-5118MAY 3801F256-5119MAY 4005F411-5119MAY 4006F133-5120MAY 3604F199-5121MAY 3604F173-5121MAY 3604F174-5122MAY 5140A026-6022MAY 3414F066-51