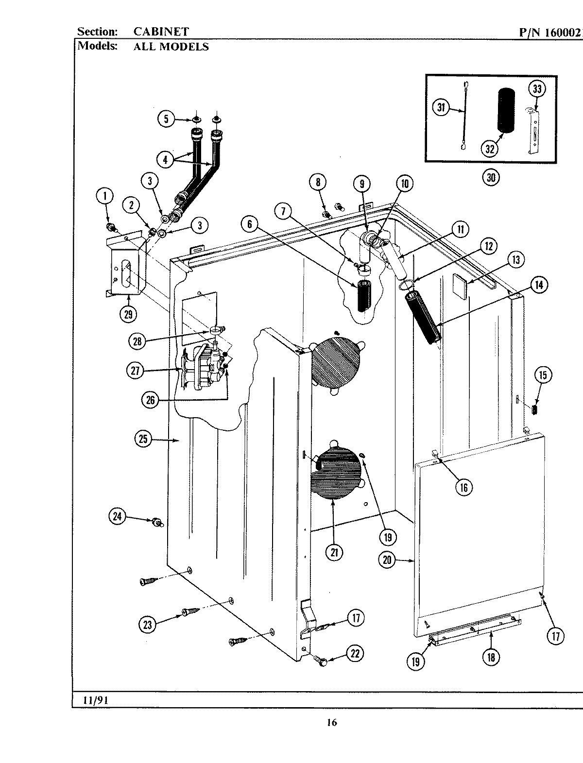
A590 02 – CABINET