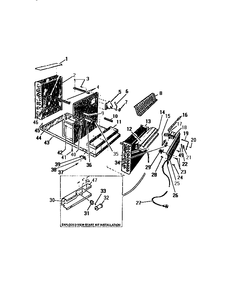
A5LECDC2 05 – EVAPORATOR, CONDENSER, BASE PAN (`S