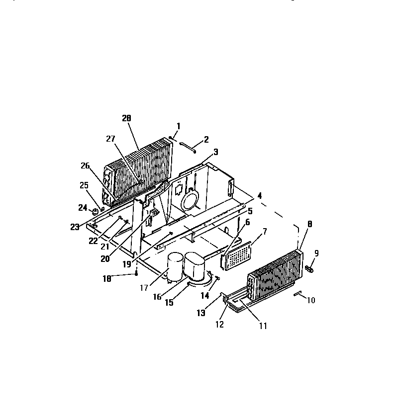
A5LECDSD2 18 – EVAPORATOR, CONDENSER (`CC` CABINETadmin2025-04-26T08:41:54+00:00A5LECDSD2 18 – EVAPORATOR, CONDENSER (`CC` CABINET ProductsPositionProduct1SCREW, GROUND TO CONTROL PANEL2SUPPORT3WCI 80141704WCI 80138035WCI 80131826WCI 80064487WCI 80064498WCI 80137249WCI 801309510INSULATOR-TUBE11WCI 801305912WCI 801305313WCI 801305814SCREW15CLAMP-CAPACITOR16CAPACITOR, FAN17CAPACITOR-RUN18WCI 800763720WCI 800294721WCI 800902522SCREW (4)23WCI 800755924WCI 801309325CLIP-CONDENSER26DRIER27WCI 801369328WCI 8013726