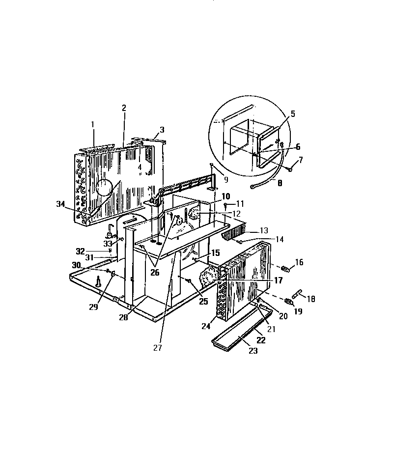
A5LECUC2 24 – EVAPORATOR, CONDENSER (`B` CABINETadmin2025-04-26T08:42:07+00:00A5LECUC2 24 – EVAPORATOR, CONDENSER (`B` CABINET ProductsPositionProduct1CONDENSER, TOP1WCI 80077042WCI 80137653WCI 80076965WCI 80030236WCI 80030498CABLE-VENT DOOR9SCREW-SCROLL10WCI 800768912INSULATION-REAR13WCI 800684215WCI 800756517WCI 800753718INSULATOR-TUBE19CLIP-CAP. TUBE20WCI 800902721WCI 800902222WCI 800753523TRAY24WCI 801371724WCI 801371826WCI 800295127PARTITION-HORIZONTAL28DIVIDER-VERTICAL29WCI 800902530SCREW (4)31WCI 800770332CLIP-CONDENSER33WCI 800770234DRIER