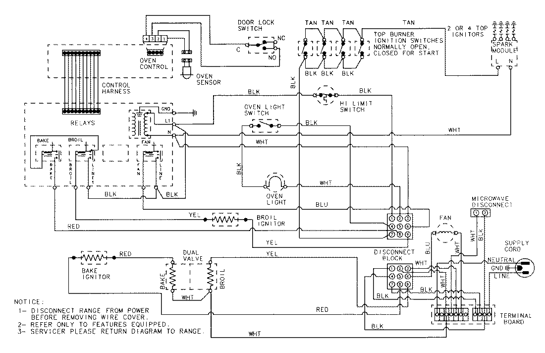
A6498VRV 05 – WIRING INFORMATIONadmin2025-04-26T09:14:00+00:00A6498VRV 05 – WIRING INFORMATION ProductsPositionProductNIMAY 15001736