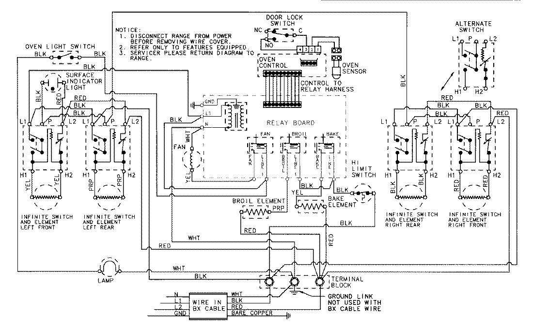
A6892XRS 06 – WIRING INFORMATIONadmin2025-04-26T09:13:07+00:00A6892XRS 06 – WIRING INFORMATION ProductsPositionProductNIMAY 15001753