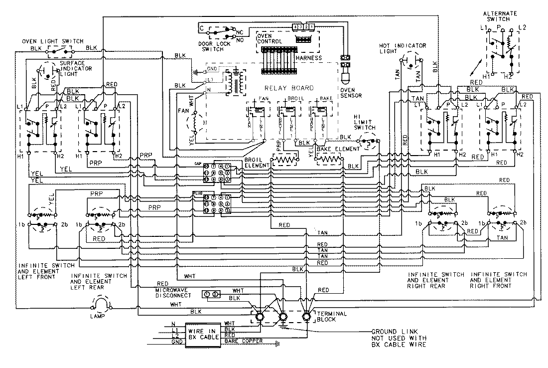
A6898VRV 05 – WIRING INFORMATIONadmin2025-04-26T09:12:52+00:00A6898VRV 05 – WIRING INFORMATION ProductsPositionProductNIMAY 15002061