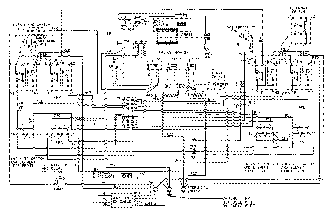
A6898XRB 06 – WIRING INFORMATIONadmin2025-04-26T09:12:30+00:00A6898XRB 06 – WIRING INFORMATION ProductsPositionProductNIMAY 15002061