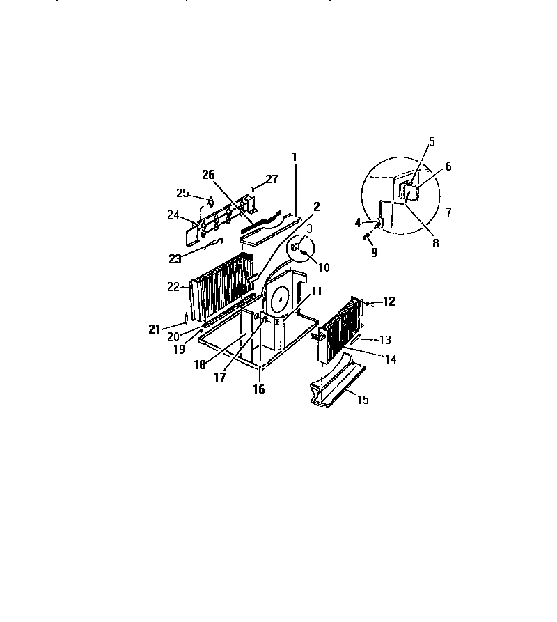
A6LECC2 12 – EVAPORATOR, CONDENSER (`AAA` CABINEadmin2025-04-26T08:42:23+00:00A6LECC2 12 – EVAPORATOR, CONDENSER (`AAA` CABINE ProductsPositionProduct1PARTITION, HORIZONTAL2WCI 80064533WCI 80090254WCI 80075145WCI 80074776WCI 80069187WCI 80075118WCI 80074999WCI 800750010SCREW (4)11INSULATION12SPACER (2)13INSULATOR-TUBE14EVAPORATOR15WCI 800691716DIVIDER, VERTICAL17GROMMET18WCI 801097019CLIP-CONDENSER20SEAL21DRIER22WCI 801381026SEAL27WCI 8002951