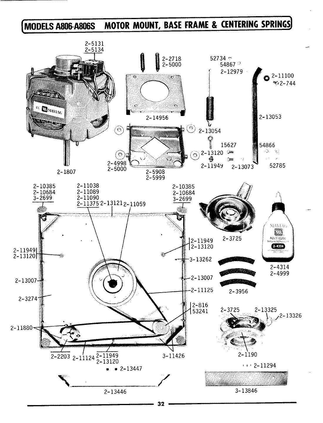
A806S 12 – POWER UNIT & CENTER ASSEMBLYadmin2025-04-26T09:13:45+00:00A806S 12 – POWER UNIT & CENTER ASSEMBLY ProductsPositionProduct1MAY A042982MAY Y0148273MAY Y0148394MAY Y0154945MAY Y0156296MAY 0156397WPY015666 Whirlpool Washer Retainer8MAY Y0156679MAY Y01590210MAY 03831311MAY Y03855512MAY Y05486713MAY Y05601614MAY Y05608015MAY 20073016MAY 200813176-2040130 Whirlpool Washer Tub Bearing Kit18MAY 20146319MAY 20153720MAY 20252121MAY 20319322PART NOT USED23MAY 20377524MAY 20401226MAY 20496727MAY 21005428MAY 21017929MAY 21018330MAY 21028631MAY 21031532MAY 21063233MAY 21067034MAY 21069035MAY 21102836WP6-2110472 Whirlpool Nut Clamp37WP211089 Whirlpool Lug Stop38WP22003555 Whirlpool Washer ST39MAY 21110040MAY 21113041MAY 21121042WP912618 Whirlpool Dishwasher Screw43WP6-2114830 Whirlpool Washer Spare Part44MAY 21148445MAY 21148646MAY 21148747MAY 21161848MAY 21183749PART NOT USED50MAY 214276