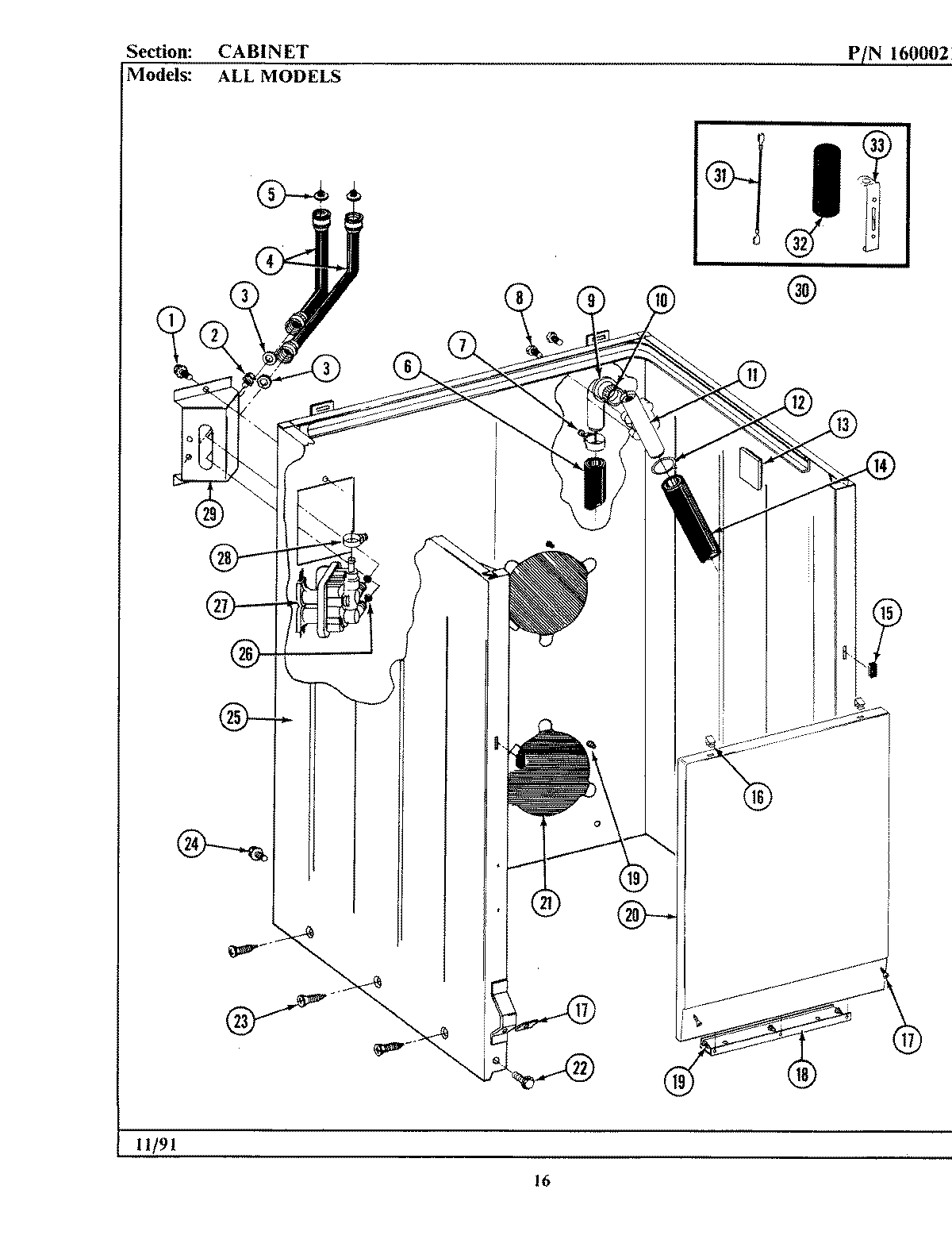
A882 02 – CABINET