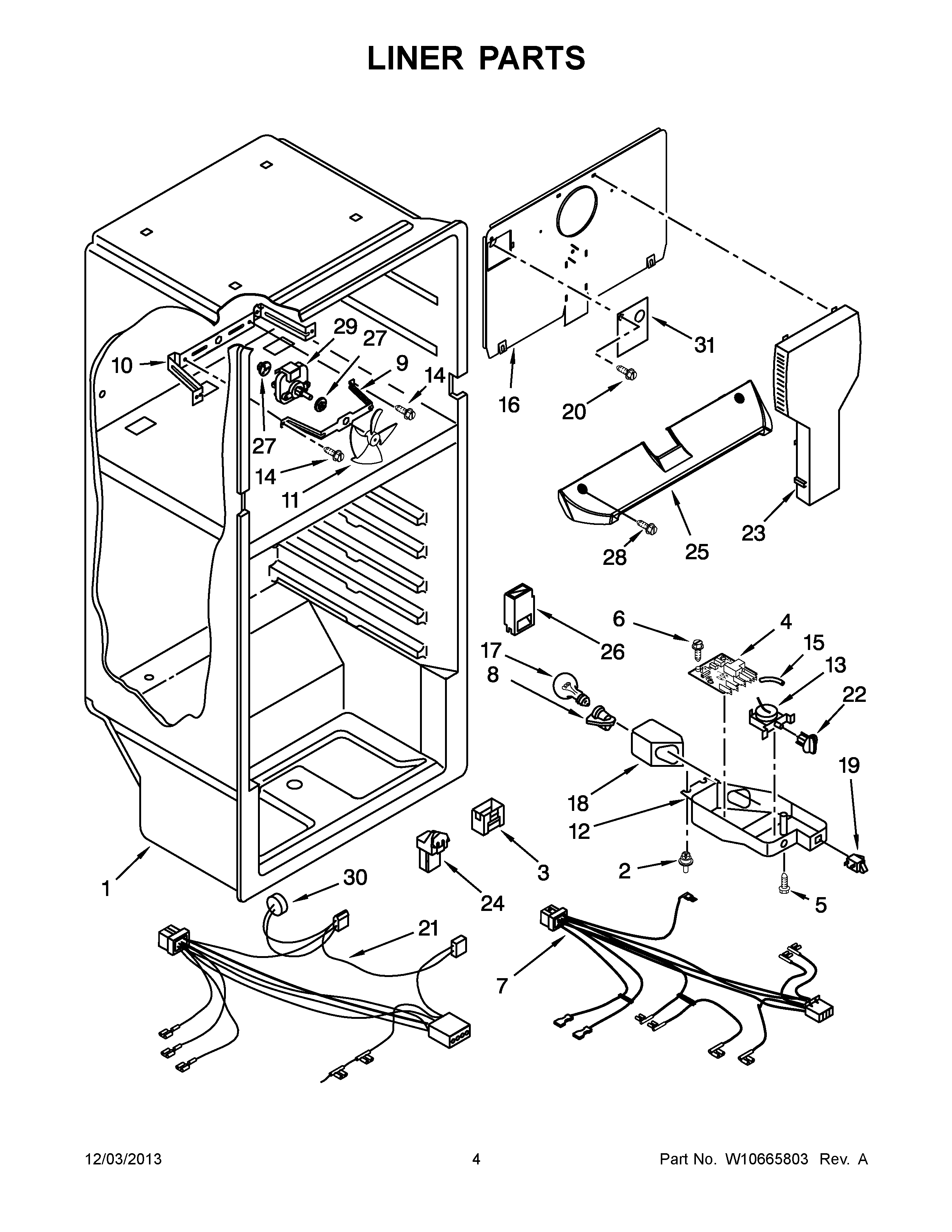
A8RXNGFBS02 03 – LINER PARTS