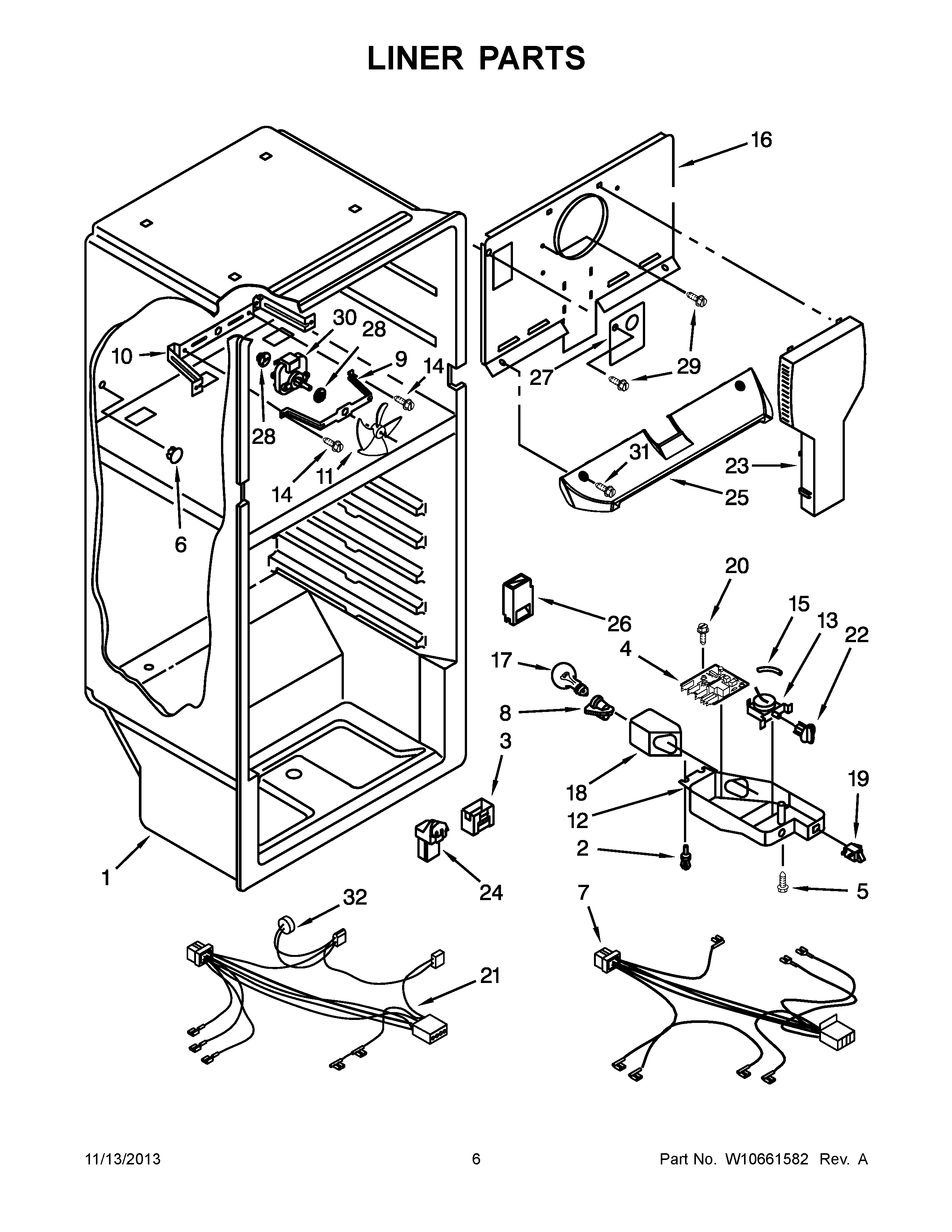
A8TXNGFBW01 04 – LINER PARTSadmin2025-04-26T08:55:31+00:00A8TXNGFBW01 04 – LINER PARTS ProductsPositionProduct1LINER (NOT A SERVICEABLE PART)2Rivet3MAY 21830614TIMER, DEFROST5MAY 4891746MAY 9418397WIRE ASSY. CONTROL BOX8Socket, Light9Fan Support Bracket10MAY 219740511Blade, Fan (Evaporator)12MAY 221521013MAY 232570114Screw 8-32 x 5/1615MAY 111868016MAY W1024401217MAY 52794918MAY 979170219MAY 111889420Screw21WIRING, FREEZER (INCLUDES ITEM 33)22MAY 220288523MAY 979040824Hood And Foil Assembly25MAY 226197826MAY 222199227MAY 221778428MAY 226446229MAY 48947830MAY W1018838931MAY 226217832MAY 2266067