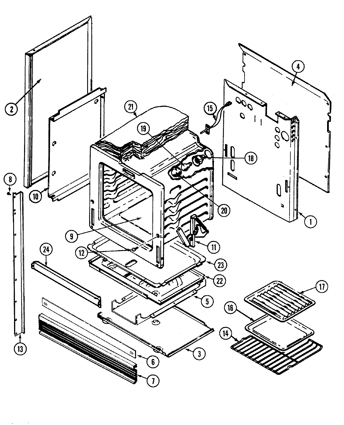
A9475VRV 01 – BODY