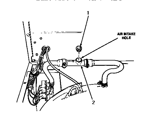
AA6421 03 – BACK FLOW PREVENTER (CHANGE)admin2025-04-26T08:55:08+00:00AA6421 03 – BACK FLOW PREVENTER (CHANGE) ProductsPositionProduct1MAY 343402MAY 27118