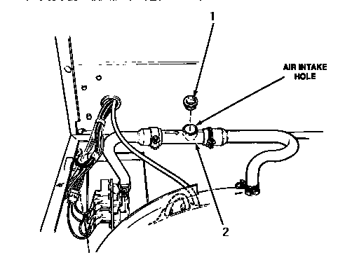
AA8431 03 – BACK FLOW PREVENTER (CHANGE)admin2025-04-26T08:54:58+00:00AA8431 03 – BACK FLOW PREVENTER (CHANGE) ProductsPositionProduct1MAY 343402MAY 27118