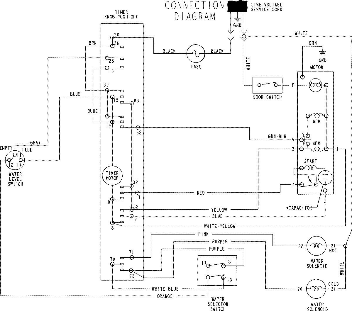
AAV7000AKW 07 – WIRING INFORMATIONadmin2025-04-26T08:55:30+00:00AAV7000AKW 07 – WIRING INFORMATION ProductsPositionProductNIMAY 15003821