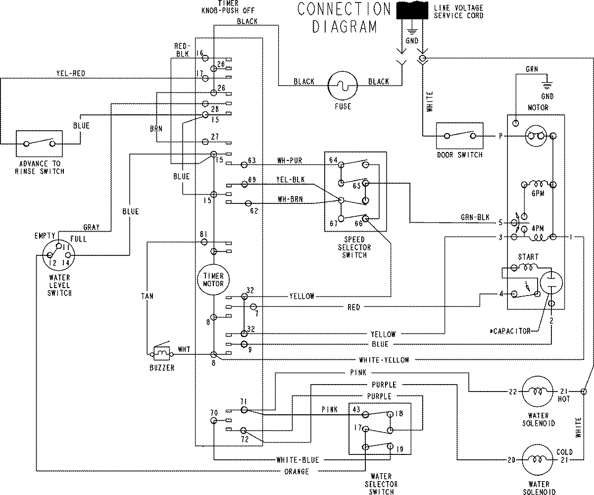
AAV8000AGW 07 – WIRING INFORMATIONadmin2025-04-26T08:55:01+00:00AAV8000AGW 07 – WIRING INFORMATION ProductsPositionProductNIMAY 15003823