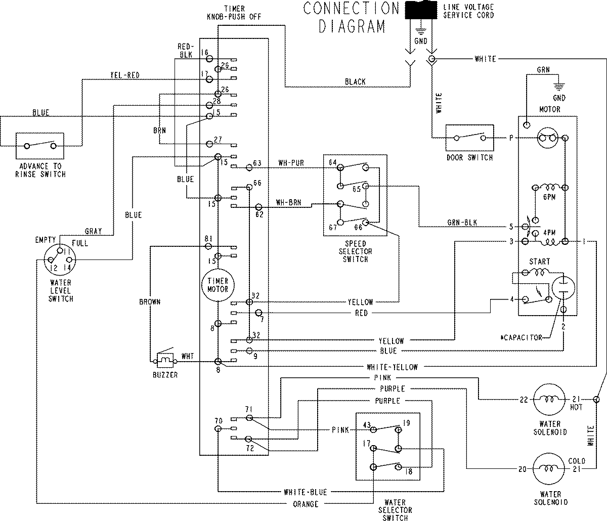
AAV8000AJW 07 – WIRING INFORMATIONadmin2025-04-26T08:55:32+00:00AAV8000AJW 07 – WIRING INFORMATION ProductsPositionProductNIMAY 15003824