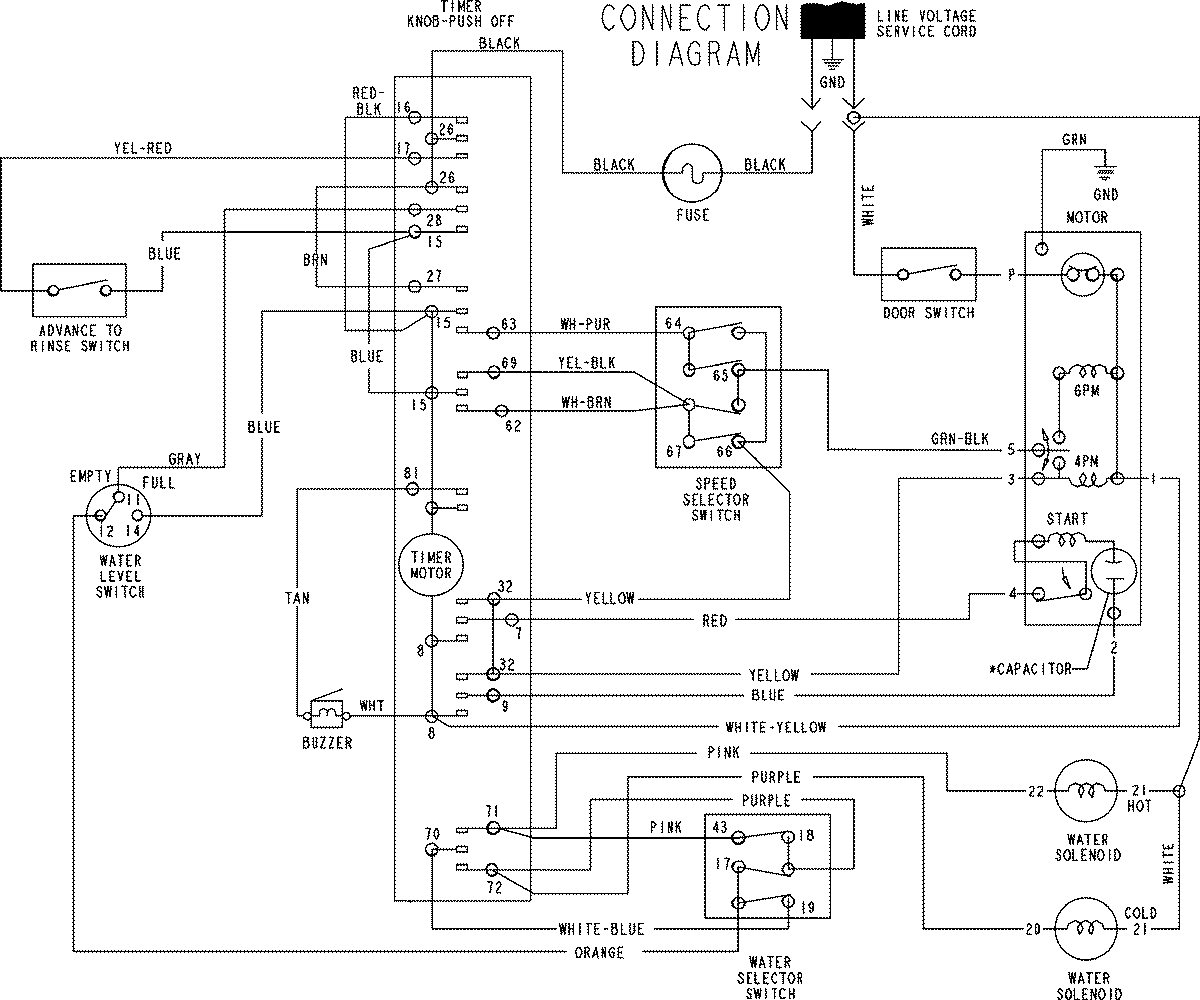
AAV8000AKW 07 – WIRING INFORMATIONadmin2025-04-26T08:55:18+00:00AAV8000AKW 07 – WIRING INFORMATION ProductsPositionProductNIMAY 15003823