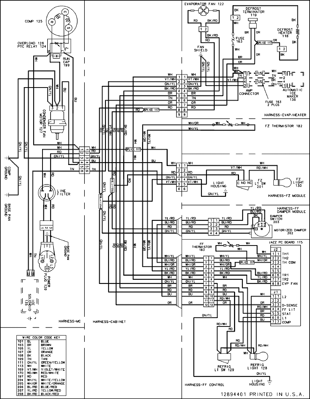
AB1924PEKB 11 – WIRING INFORMATIONadmin2025-04-26T08:55:18+00:00AB1924PEKB 11 – WIRING INFORMATION ProductsPositionProductNIMAY 15003635NIMAY 15003971