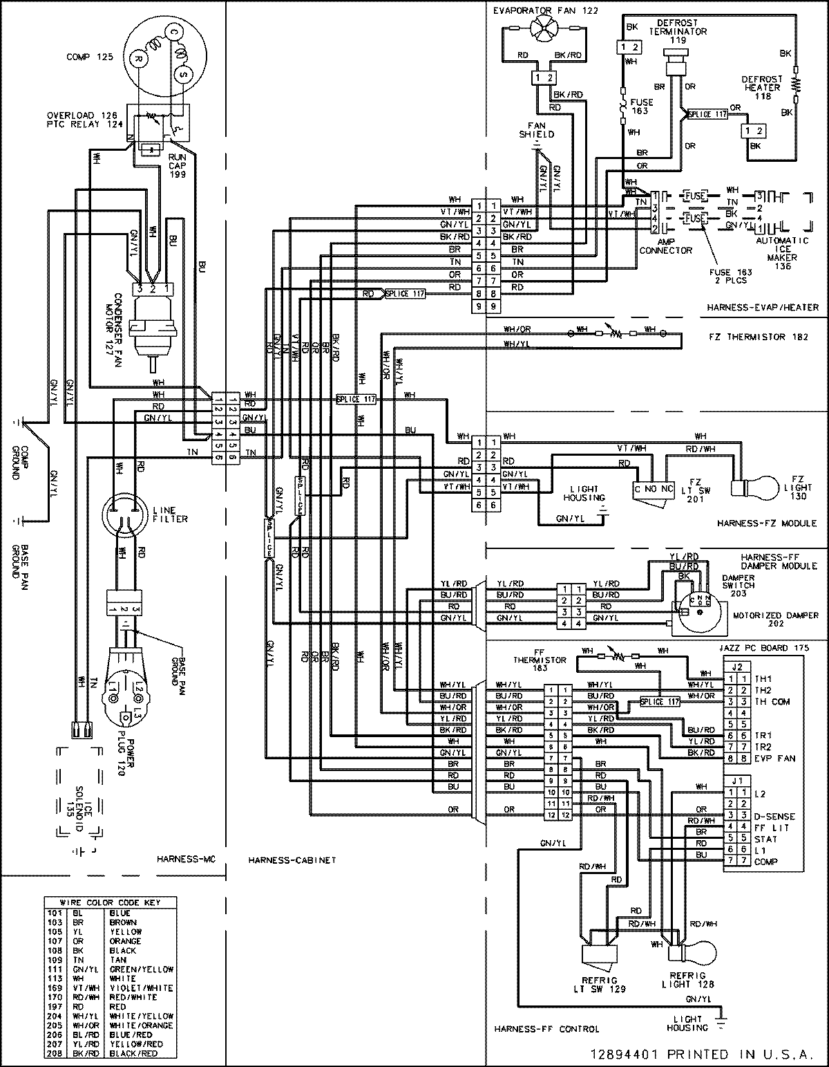
AB2026PEKW 11 – WIRING INFORMATIONadmin2025-04-26T08:54:47+00:00AB2026PEKW 11 – WIRING INFORMATION ProductsPositionProductNIMAY 15003635