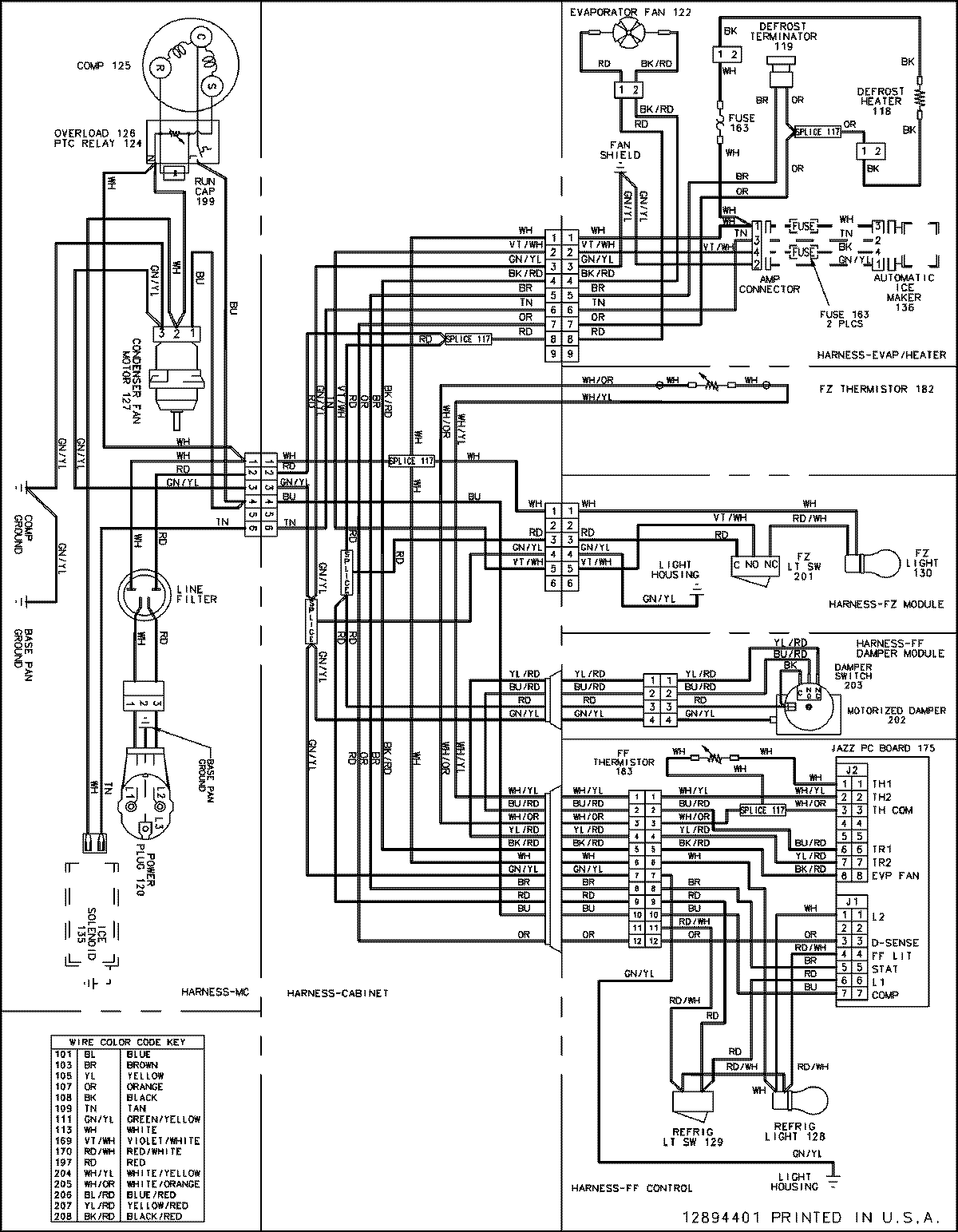
AB2225PEKS 11 – WIRING INFORMATIONadmin2025-04-26T08:54:48+00:00AB2225PEKS 11 – WIRING INFORMATION ProductsPositionProductNIMAY 15003635NIMAY 15003971