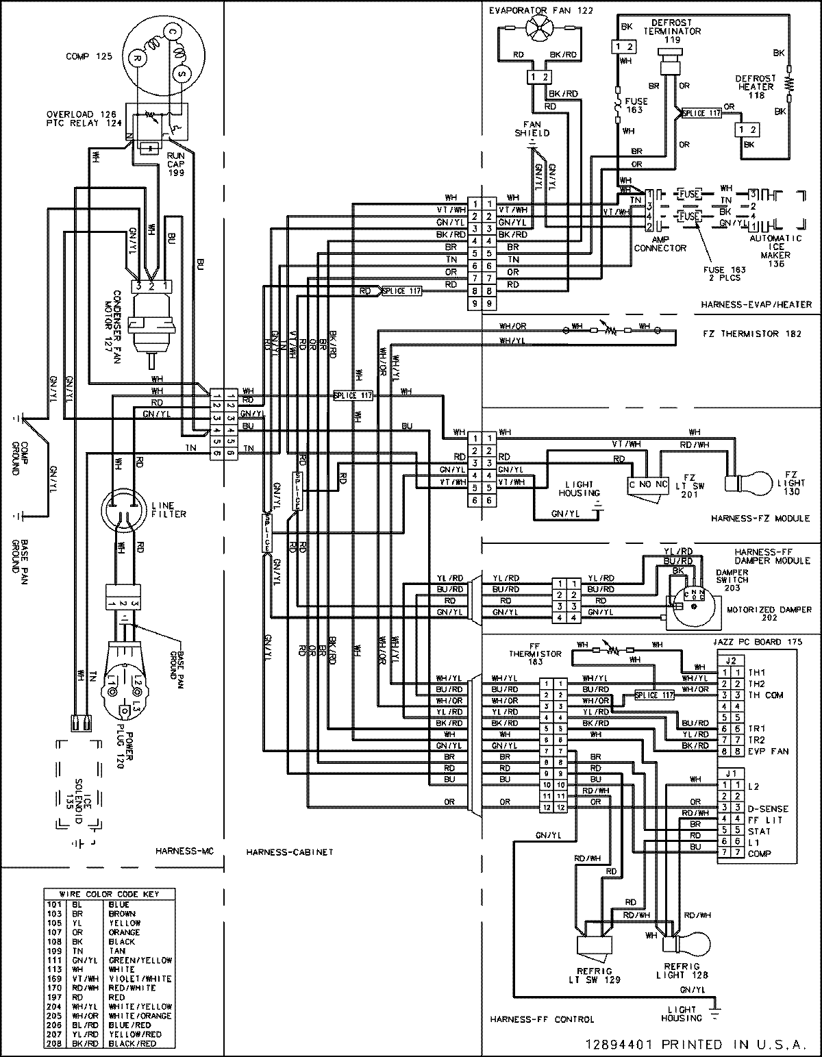
AB2225PEKW 11 – WIRING INFORMATIONadmin2025-04-26T08:55:02+00:00AB2225PEKW 11 – WIRING INFORMATION ProductsPositionProductNIMAY 15003635NIMAY 15003971