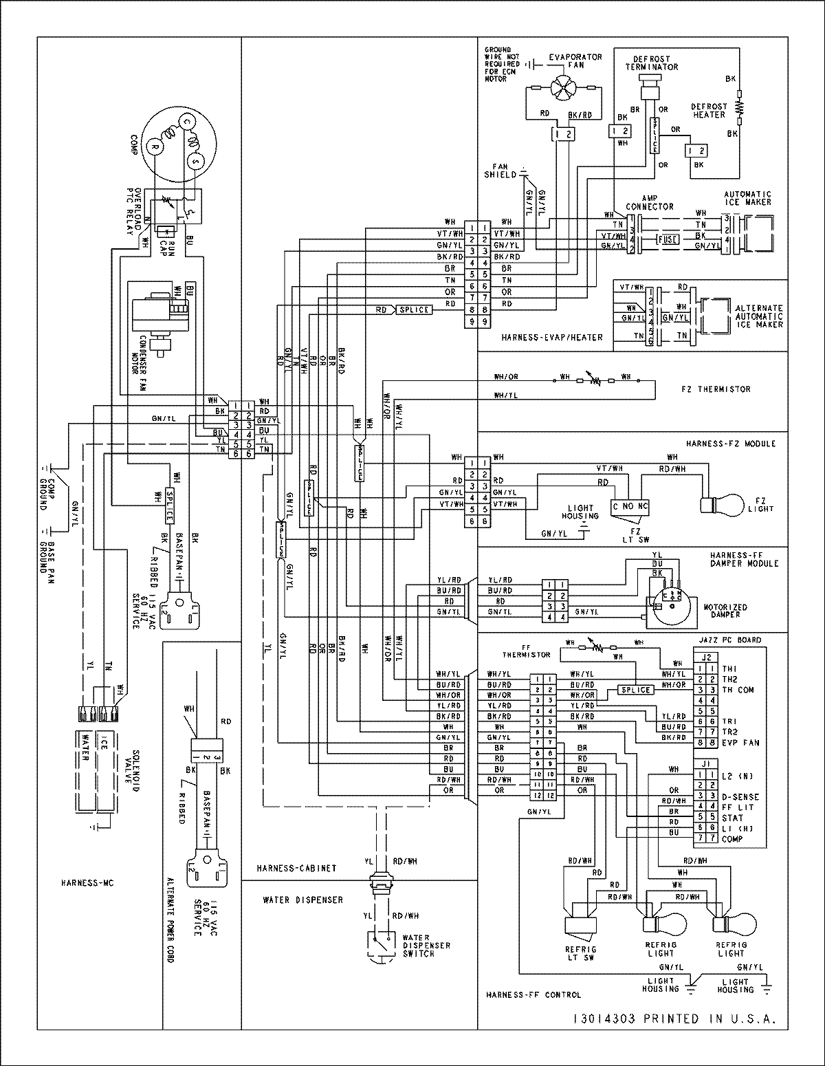
ABB1922FEQ 11 – WIRING INF0RMATIONadmin2025-04-26T08:55:27+00:00ABB1922FEQ 11 – WIRING INF0RMATION ProductsPositionProductNIMAY 15003918