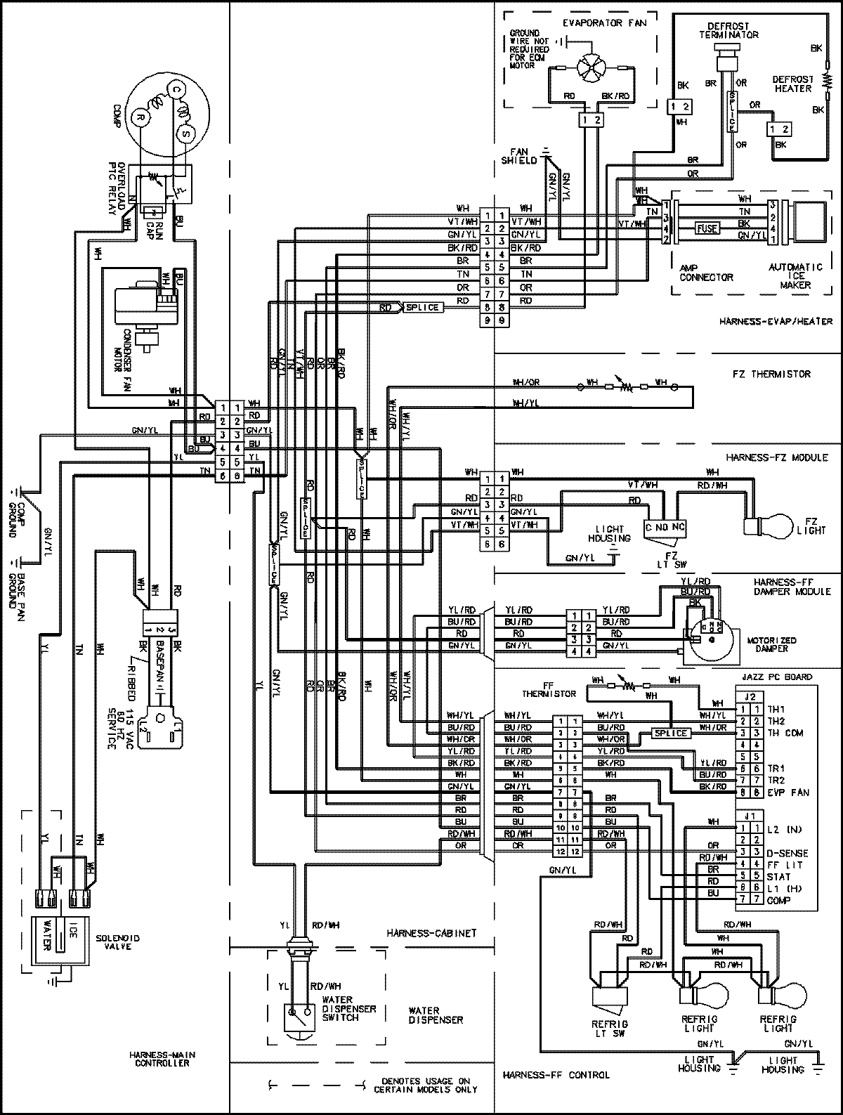
ABB1924DEW 11 – WIRING INFORMATIONadmin2025-04-26T08:55:20+00:00ABB1924DEW 11 – WIRING INFORMATION ProductsPositionProductNIMAY 15003700