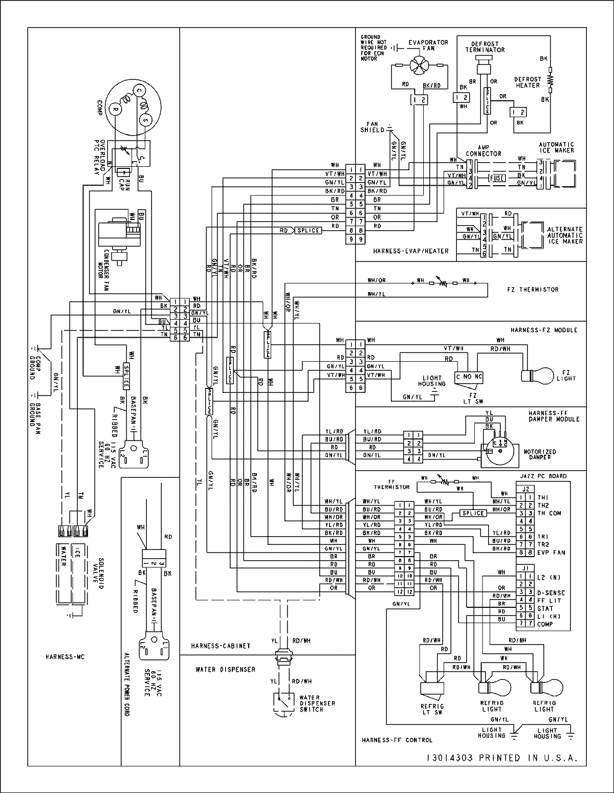
ABB1927DEB 12 – WIRING INFORMATIONadmin2025-04-26T08:55:37+00:00ABB1927DEB 12 – WIRING INFORMATION ProductsPositionProductNIMAY 15003918