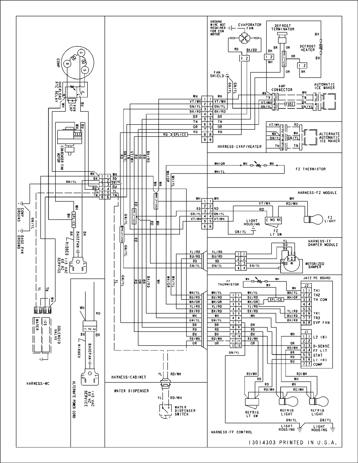
ABB1927DEW 12 – WIRING INFORMATIONadmin2025-04-26T08:56:12+00:00ABB1927DEW 12 – WIRING INFORMATION ProductsPositionProductNIMAY 15003918