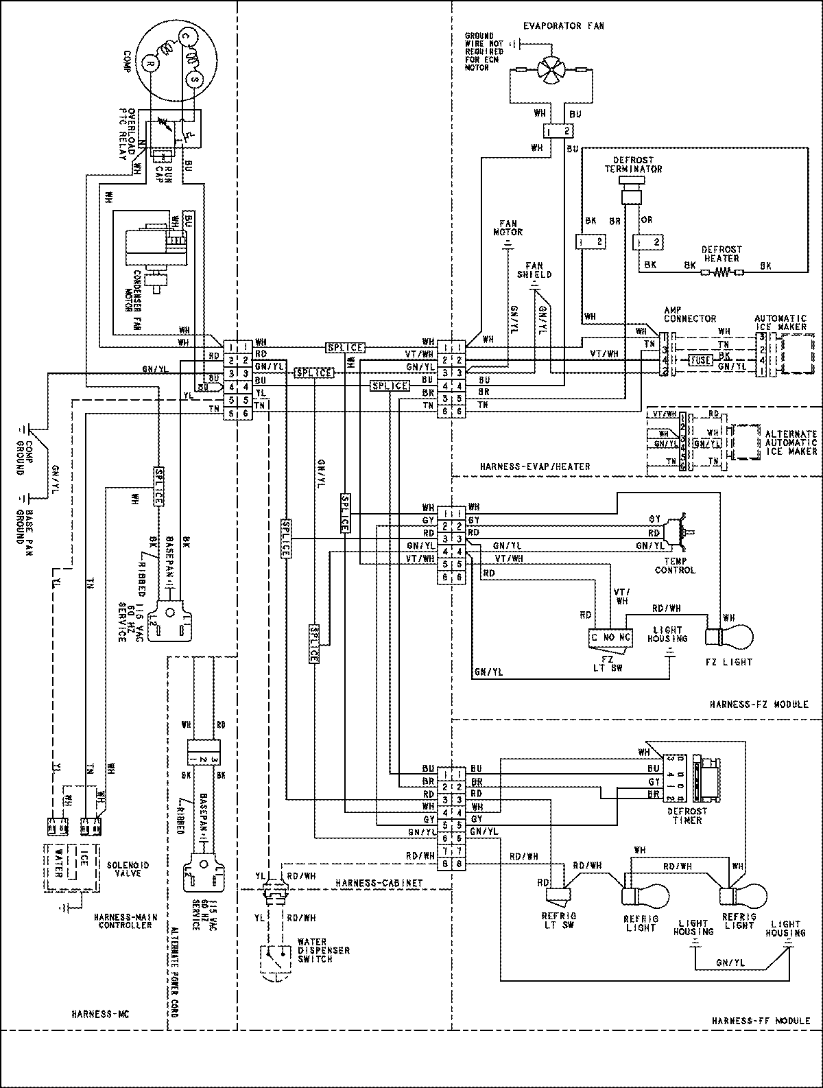
ABB2221FEW 11 – WIRING INFORMATIONadmin2025-04-26T08:55:47+00:00ABB2221FEW 11 – WIRING INFORMATION ProductsPositionProductNIMAY 15003953