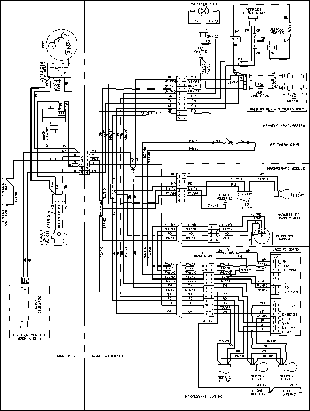
ABB2223DEB 11 – WIRING INFORMATIONadmin2025-04-26T08:56:22+00:00ABB2223DEB 11 – WIRING INFORMATION ProductsPositionProductNIMAY 15003510