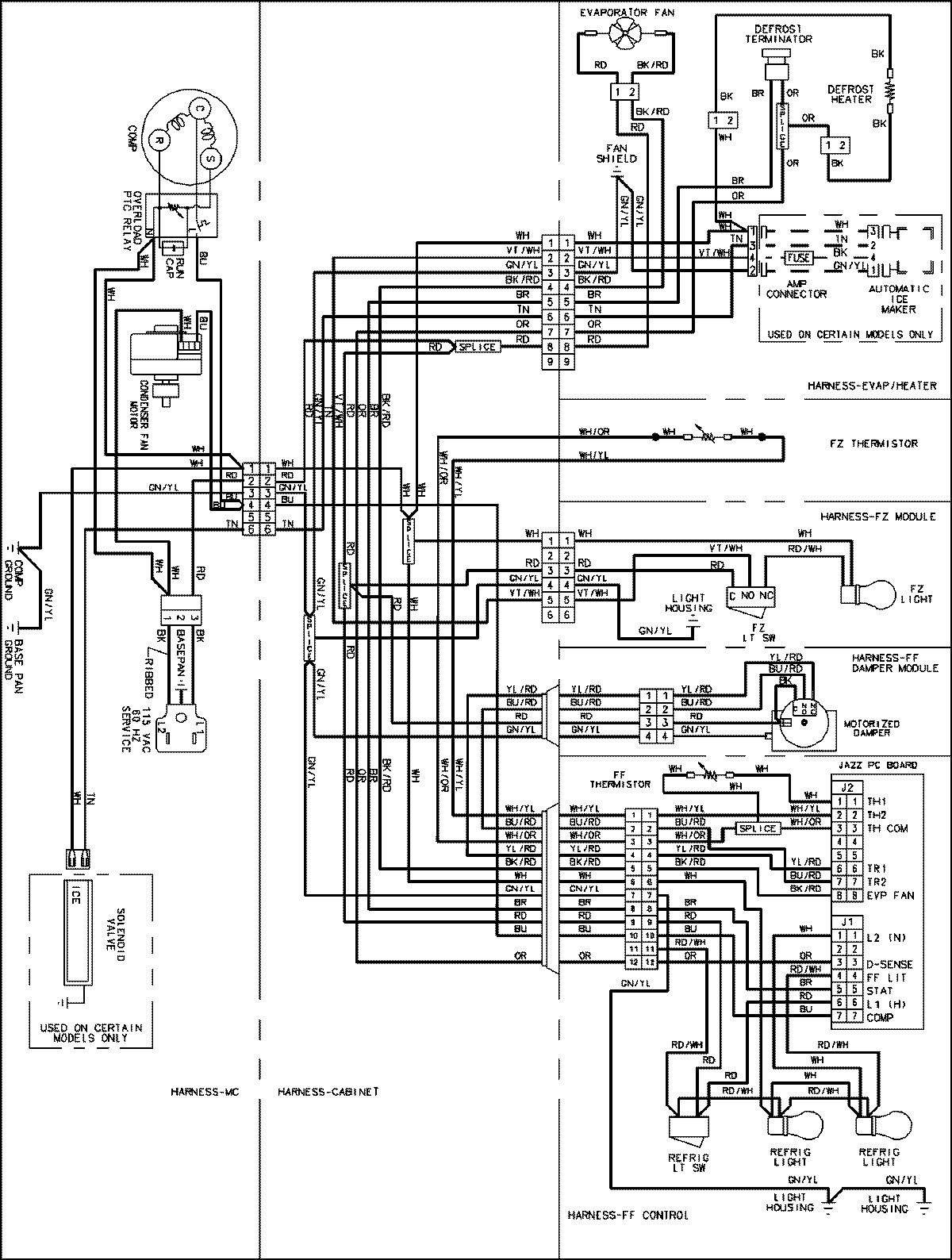
ABB2223DEQ 11 – WIRING INFORMATIONadmin2025-04-26T08:56:03+00:00ABB2223DEQ 11 – WIRING INFORMATION ProductsPositionProductNIMAY 15003510