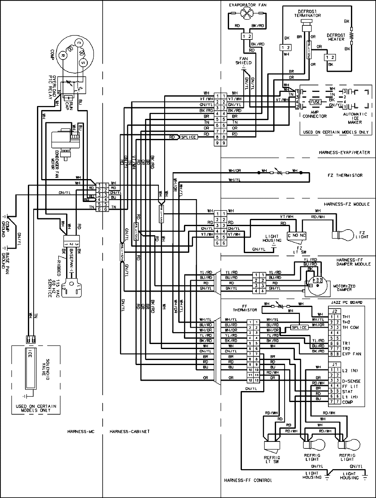
ABB2223DES 11 – WIRING INFORMATIONadmin2025-04-26T08:55:59+00:00ABB2223DES 11 – WIRING INFORMATION ProductsPositionProductNIMAY 15003510